Bonjour
Pourriez-vous m'aider à vérifier mon exercice svp?
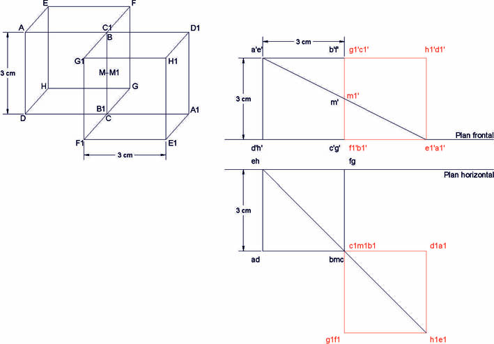
la consigne :
"on donne un cube de 3 cm de côté, dont une face est dans le plan horizontal, une autre dans le plan frontal de projection; contruire le symétrique de ce cube par rapport au milieu d'une arête verticale non dans le plan frontal.
on donne le même cube que dans la question précédente, construire le cube obtenu en faisant tourner le cube donné de 120° autour de l'arête verticale non dans le plan frontal. "
merci d'avance A bientôt

Bonjour,
Oui, c' est bon; mais pense à faire une recherche (la loupe en haut à droite) avec les mots clés "géométrie descriptive"
Tu aurais pu trouver ceci:
géométrie descriptive 
Vous devez être membre accéder à ce service...
Pas encore inscrit ?
1 compte par personne, multi-compte interdit !
Ou identifiez-vous :