Bonsoir,
Je suis en train de tracer le schéma logique de l'équation , dans lequel je ne dois utiliser que des portes NAND.
Le prof nous a conseillé de commencer par la "fin", c'est à dire de partir de la sortie pour "remonter" aux entrées.
J'en viens donc à chercher le complément de : .
Je trouve :
Ca me paraît bizarre
Est-ce juste ?
Merci
Estelle 
Merci beaucoup J-P, après quelques minutes de réflexion (notamment parce qu'on utilise les notations normalisées), tout est plus clair
Le seul problème est que je ne dois utiliser que des portes NAND à deux entrées seulement (désolée de ne le préciser que maintenant, tu as dû passer un certain temps à faire ce schéma).
Je pense que si tu peux me confirmer/infirmer le complément, j'arriverai à me débrouiller,
Merci
Estelle 
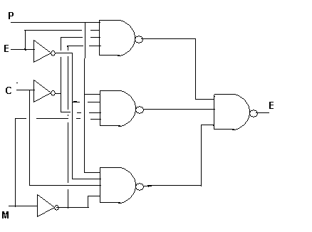
Avec des "Nand" à 2 entrées.
Remarque, si on veut, on peut remplacer les inverseurs par des "Nand" à 2 entrées dont ont aurait connecté ensemble les 2 entrées (ou bien mis une des entrées à 1 logique).

Vous devez être membre accéder à ce service...
Pas encore inscrit ?
1 compte par personne, multi-compte interdit !
Ou identifiez-vous :